你有没有想过,家里的电器为什么有时候会“闹脾气”,不是这里嗡嗡响就是那里嗡嗡叫?其实,这背后有个小秘密,那就是变频器。今天,就让我带你一起揭开变频器的神秘面纱,看看那个神奇的变频器接线图视频,让你成为家电维修的小达人!
一、变频器是什么?
变频器,顾名思义,就是可以改变电压和频率的设备。它广泛应用于工业、家居等领域,比如空调、洗衣机、电梯等。简单来说,变频器就像一个“调音师”,可以让电器在合适的频率下工作,从而达到节能、环保的效果。

二、变频器接线图视频,揭秘变频器奥秘
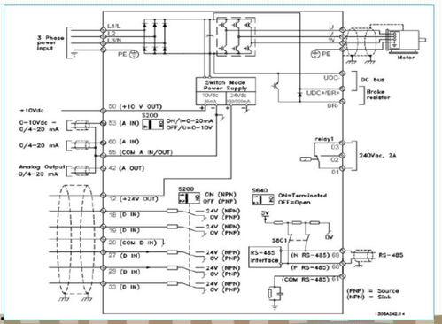
想要了解变频器,怎能不看看它的“身份证”——变频器接线图?这个视频可是变频器界的“圣经”,让你轻松掌握变频器的接线技巧。

1. 视频开头,先来个“全家福”。视频中展示了变频器的各个部件,包括输入端、输出端、控制端等。看着这些密密麻麻的线路,是不是有点眼花缭乱?别急,接下来我会一步步带你认识它们。

2. 接下来,视频会详细讲解每个部件的功能。比如,输入端负责接收电源,输出端负责输出电压和频率,控制端则是用来接收指令,控制变频器的运行。
3. 看到这里,你可能已经迫不及待想要知道如何接线了。别急,视频会一步步教你。首先,将电源线接入输入端,然后根据需要连接输出端。注意,这里的接线顺序很重要,一旦接错,可能会导致设备损坏。
4. 接下来,视频会教你如何连接控制端。这里需要用到一些控制线,比如启动线、停止线、故障线等。这些线的作用是接收指令,控制变频器的运行。连接时,要确保线号对应,否则也会出现故障。
5. 视频会提醒你检查接线是否牢固,确保没有遗漏。完成这些步骤后,就可以启动变频器了。
三、变频器接线图视频,实用技巧分享
1. 视频中会介绍一些实用的接线技巧,比如如何避免短路、如何选择合适的接线材料等。这些技巧对于初学者来说非常有帮助。
2. 视频还会分享一些常见的故障现象及解决方法。比如,变频器启动不了、运行不稳定等。通过学习这些知识,你可以在遇到问题时迅速找到解决办法。
3. 此外,视频还会介绍一些变频器的保养和维护方法。保持变频器的清洁,定期检查线路,可以延长设备的使用寿命。
四、变频器接线图视频,让你成为家电维修小达人
通过学习变频器接线图视频,你不仅可以了解变频器的原理和接线方法,还可以掌握一些实用的家电维修技巧。这样一来,当你家的电器出现问题时,就可以自己动手解决,不再需要依赖专业人士。
1. 首先,学会看懂变频器接线图。这样,在维修过程中,你可以迅速找到故障点,避免盲目操作。
2. 其次,掌握一些基本的电工知识。这样,在接线过程中,你可以避免因操作不当而造成设备损坏。
3. 多实践,多。只有通过不断的实践,你才能熟练掌握变频器维修技巧。
变频器接线图视频是一个非常有用的学习资源。通过学习这个视频,你不仅可以了解变频器的原理和接线方法,还可以掌握一些实用的家电维修技巧。快来试试吧,相信你一定会成为家电维修的小达人!













